Арт.   447
В наличии

Среды: масло/нефть, вода, неорганическая кислота, щелочь, соль и органические растворители.

Изготовление с учетом требований клиента: возможны изменения материалов для получения других рабочих параметров. Предоставьте нам ваши требования.

Все товары категории:

Подробное описание пружинного торцевого уплотнения YL 105

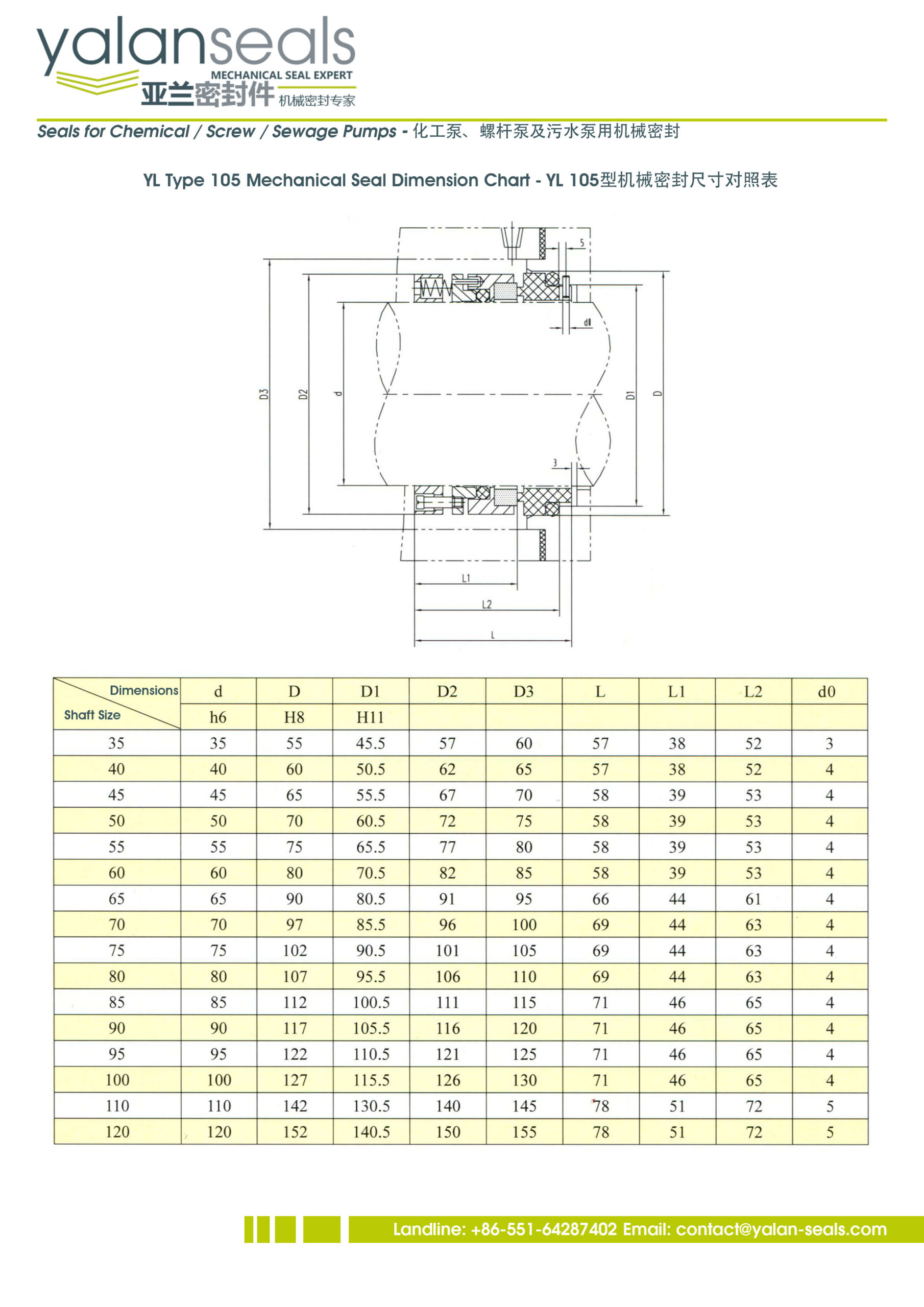
Торцевые уплотнения типа 105 для  химических центробежных насосов, шнековых насосов, а также  канализационных насосов.

Конструктивные особенности: одинарные, многопружинные, несбалансированные торцевые уплотнения с произвольным направлением вращения,  передача крутящего момента с помощью ведущей втулки. Уплотнения имеют простую структуру и высокую надежность.

Промышленные стандарты: JB/T1472-94

Область применения: разработаны специально для центробежных насосов, шнековых насосов и оборудования по производству бумаги для таких отраслей, как химическая обработка, нефтепереработка, нефтехимия, очистка сточных вод, производство электроэнергии, производство бумаги и фармацевтика.

Давление

Не более 0,8 МПа

Линейная скорость

Не более 15 м/с

Температура эксплуатации

-20~+150 ºC

Вращающееся кольцо

Карбид кремния (SiC)/Карбид вольфрама (ТС)

Неподвижное кольцо

Графит/Карбид кремния (SiC)/Карбид вольфрама (TC)

Металлические детали

2Cr13/SS304/SS316

Пружины

SS304/SS316

Эластомеры

Бутадиен-нитрильный каучук (NBR)/этилен-пропиленовый каучук (EPDM)/Viton/фторполимер (PTFE)

Баланс

Несбалансированное

Уровень давления

Низкое давление

Конструкция

Одинарное уплотнение

Модель №

Тип 105

Особенности

Износостойкость

Скорость

Средняя скорость

Стандарт

Стандарт

Термоустойчивость

Средняя температура

Технические характеристики

Диапазон диаметров вала: 35 мм — 180 мм